Flujo de potencia automatizado con inteligencia artificial
Día 33 / 60
Hoy, después de varios días de trabajo, el agente me entregó un estudio de flujo de potencia.

Portada del estudio
No le dije cómo hacerlo. Solo le pasé las herramientas y un prompt bien simple:
Ejecuta un estudio de flujo de potencia del sistema con el caso tal cual y otro con el generador PMG encendido, dame los distintos diagramas para los distintos escenarios y en cada uno de los casos, con o sin generador dame distintas contingencias, (se cae una linea o aumentas la generación) y genera un informe PDF_diagram_clean.png&w=3840&q=75)
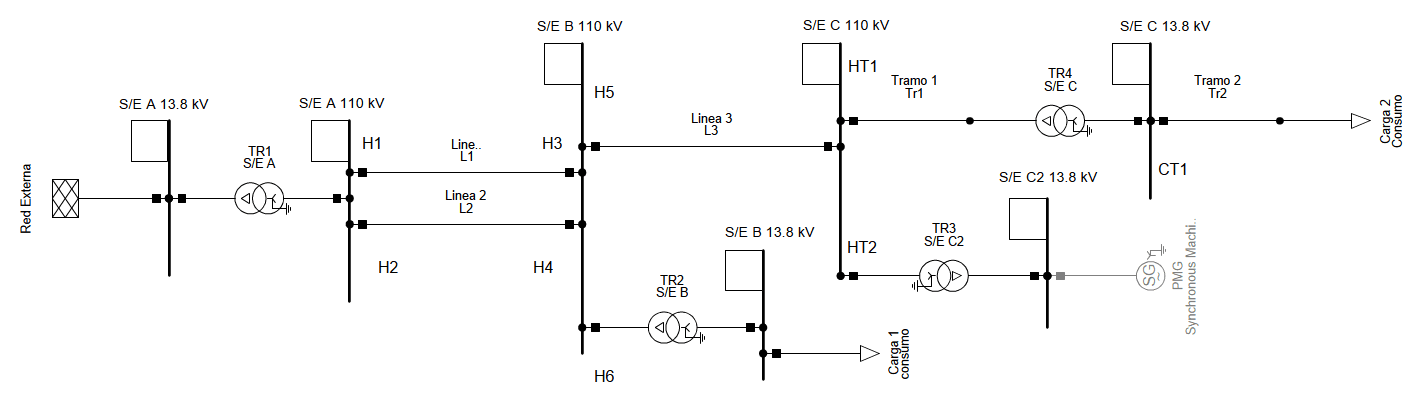
Diagrama unilineal caso base
El sistema que analicé es pequeño: 7 barras. Un sistema de los que te pasan en la universidad básicamente. Pero lo que hizo el agente me sorprendió.
Los números
El agente se demoró 4.6 minutos. Utilizó 15 tools en secuencia. Ejecutó 4 análisis de contingencias diferentes: prendió y apagó el generador PMG, y en ambos escenarios eliminó una línea para ver cómo se comportaba el sistema.
El costo total: $0.1004 USD.
Esto es con Gemini 3 Flash, no la versión más inteligente. Con Gemini 3 Pro estimo que podría gastar fácilmente más de $1 USD y tomar más tiempo. Ya agregué una vista en D.N para cambiar el modelo. Hice algunas pruebas con Pro pero falló de forma extraña. Cuando tenga el agente más pulido, voy a volver a probar.

Vista settings agent
Lo que me sorprende
Insisto: yo no le digo cómo hacerlo. Solo le doy las herramientas.
Me sorprende lo bien que trabaja y toma decisiones considerando lo vago que es mi prompt. Hay algo ahí que me empieza a asustar.
Ahora bien, el informe es deficiente. Se siente escrito por un junior, quizás menos que un Junior. Yo podría escribir algo muchísimo mejor. Pero ese no es el punto.
El punto es que el agente hizo el trabajo técnico. Corrió las simulaciones, analizó contingencias, generó los datos.

Flujo del agente para escribir un flujo de potencia
Cómo estoy generando informes (por ahora)
Tengo experiencia haciendo que agentes escriban documentos largos. En este momento tengo solo 2 tools dedicadas al informe:
- Una tool que extrae la información y diagramas generados por todas las otras tools
- Otra tool que toma esa información y escribe el PDF con tablas e imágenes
No es la mejor arquitectura, lo sé. Es lo que alcancé a armar hasta ahora. En los próximos días voy a separar mejor esta parte.
El problema de las 30 tools
Ya llegué a 30 tools en el agente y eso AHORA sí me preocupa.
En el post anterior mencioné que Gemini 3 se comporta bien con algo entre 15 y 20 herramientas. Con 21 ya estaba en el borde. Con 30, estoy claramente pasado.
El cambio que viene: sub-agentes
La solución es obvia pero me da un poco (harto) de miedo implementarla: arquitectura multi agente.
En vez de un agente que sabe todo, voy a tener agentes especializados:
- Un agente para simulaciones (flujos, cortocircuitos)
- Un agente para protecciones (configuración de relés)
- Un agente para visualización y reportes
Cada uno con máximo 15 tools. El agente principal coordina y delega.
La ventaja adicional es que esto me permitiría paralelizar escenarios. El agente principal podría decirle a un sub-agente que analice una contingencia específica mientras otro analiza otra. En vez de 26 tools secuenciales en 10 minutos, podría ser la mitad del tiempo.
Me preocupa este cambio porque hasta ahora el patrón ReAct simple me funcionaba perfecto. Un agente, un loop, una decisión a la vez. Me super convencía.
Pero los números no mienten: 30 tools es demasiado. Y si quiero escalar a sistemas reales del CEN con más de 2,500 barras, necesito una arquitectura que soporte esa complejidad.
Reflexión
Cada día que pasa veo más claro que esto va a funcionar. No porque el agente sea perfecto, donde claramente no lo es. El informe que genera es mediocre, las alucinaciones todavía aparecen, y el cambio a multi-agente me va a costar tiempo.
Pero hay algo fundamental que ya está funcionando: el agente está tomando decisiones técnicas reales, ejecutando simulaciones reales, analizando contingencias reales y esto es con un Gemini 3 Flash, ya quiero probar con Gemini 3 Pro.